High precision Servo Drivers 2700W 17.2Nm 1500rpm in AC Servo Motor and Driver kit for Machine Matched CNC Controller



Features
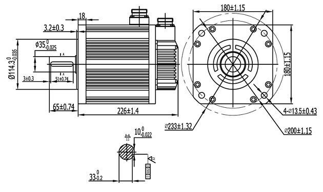
GH-18270CC is 2700W SERVO MOTOR, 180mm frame size,1500RPM rotation speed, 17.2NM,it can be 220V or customized with 380V.
Application
CNC Machinery,printing equipment, packaging equipment, textile equipment, laser processing equipment,robotics, automated production lines, such as processing precision, processing efficiency and reliability, and other requirements of the relatively high equipment.
| Motor Model | SZGH-18270CC |
| Rated Power(KW) | 2.7 |
| Rated Voltage(V) | 220/380 |
| Rated Crrent(A) | 10.5/6.5 |
| Rated Speed(RPM) | 1500 |
| Rated Torque(NM) | 17.2 |
| Peak Torque(NM) | 43 |
| Voltage Constantv10r/min | 112/167 |
| Torque Coefficient(NM/A) | 1.64/167 |
| Rotor Inertia(Kg.m²) | 3.4*10 |
| Line-Line Resistance(Ω) | 0.7/1.47 |
| Line-Line Inductance(mH) | 3.5/7.8 |
| Machanical Time-Constant(Ms) | 5.0/5.3 |
| Encoder Resolution(PPR) | 2500 |
| Insulation Class | Class F |
| Safety Class | IP65 |
| The Operating of Evironmental Condition | Temperature:-20℃~+45℃ Humidity Below 90%RH(No drawing) |
| Weight(KG) | 19.5 |







FAQ
Q: Do you provide samples ? is it free or extra ?
A: Yes, we could offer the sample with sample price.
Q: Do you have the test and audit service?
A: Yes, we can assist to get the designated test report for product and the designated factory audit report.






